鄭州科慧科技股份有限公司,自1996年成立以來,20余年專業設計、研發、生產機器人焊接設備。該產品線為非標定制產品,可根據客戶實際需求設計
一、總體功能說明
主梁機器人焊接生產線主要以橋式起重噸位5~50t,跨度10.5~28.5m的主梁為生產對象,生產線最大外形尺寸不超過13m(寬) ×270m(長)
主要包括9個工位:
1、上蓋板與筋板組焊工位
2、腹板與角鋼組焊工位
3、π形梁組對工位
4、π形梁內縫焊接工位一
5、π形梁內縫焊接工位二
6、π形梁與下蓋板組對工位
7、梁盒外縫焊接工位一
8、梁盒外縫焊接工位二
9、梁盒參數檢測工位以及工位之間的物流系統和生產線信息管理系統;
上蓋板與筋板料框從料區吊運至上蓋板與筋板組焊工位、腹板與角鋼料框從料區吊運至腹板與角鋼組對工位、下蓋板從料區吊運至π形梁與下蓋板組對工位有車間起重機(客供)參與外,其余工位及工位之間的流轉無車間起重機參與。整體生產線以單件流的形式組織生產,各工位節拍不大于1小時(以QD20t22.5m主梁為測算及驗收依據)。
二、生產線工藝流程
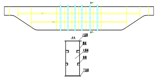
三、主梁結構形式。
起重機主梁主要由1個上蓋板、1個下蓋板、2個腹板及若干筋板構成。其中大部分主梁腹板上均有防止變形和增大剛性的縱向角鋼。
四、生產線備料方法與精度
1、筋板采用等離子數控整體下料,尺寸偏差≤1mm,垂直偏差≤H/1000(H為大筋板高度),平面度≤2mm(平面度超差可以采用矯平機進行矯正)。
2、腹板利用卷板開卷校平后采用等離子數控整體下料,保證同一根主梁兩塊腹板拱度的一致性。
3、厚度≤16mm的蓋板采用卷板開卷校平后等離子數控整體下料,厚度>16mm的蓋板采用中厚板先拼長后利用直條機火焰切割下料,蓋板寬度偏差≤2mm,每10000mm長的蓋板下料產生的水平旁彎≤5mm;
4、角鋼非整根利用時采用鋸切下料,整根利用時不再鋸切修邊。
5、生產線總體配置
|
序號 |
功能 |
|
1 |
上蓋板與筋板組焊工位 |
|
2 |
腹板與角鋼組焊工位 |
|
3 |
π形梁組對工位 |
|
4 |
π形梁內縫焊接工位一 |
|
5 |
π形梁內縫焊接工位二 |
|
6 |
π形梁與下蓋板組對工位 |
|
7 |
梁盒外縫焊接工位一 |
|
8 |
梁盒外縫焊接工位二 |
|
9 |
梁盒參數檢測工位 |
|
10 |
物流系統 |
|
11 |
生產線信息管理系統 |
6、生產線總體技術指標
|
序號 |
名 稱 |
要 求 |
|
1 |
產線輸送線作業高度 |
700-900mm |
|
2 |
單根梁制作周期 |
≤8小時 |
|
3 |
單根梁用工數量 |
≤10人 |
|
4 |
6軸機器人數量 |
21套 |
|
5 |
焊槍冷卻方式 |
水冷 |
|
6 |
焊接尋位方式 |
接觸及電弧傳感器 |
|
7 |
焊接跟蹤方式 |
電弧跟蹤 |
五、產線布局圖
六、工藝描述
產線布局長X寬(270米X13米),產線節拍1h/件,整線主輸送物流采用動力滾筒線輸送方式,角鋼的輸送方式采用雙層倍速鏈輸送方式,梁盒外縫焊接二區到檢測工位采用RGV字母車,整線各工位與各工位之間流轉及工作為全自動的,整線所有設備的布局都在參觀通道的一側,參觀通道設置有安全光柵及安全圍欄,整線布置采用一子型布置,使整線美觀大方。
主梁全自動焊接生產線包括:上蓋板及筋板組焊工位、腹板與角鋼拼焊工位、π型梁組對工位、內縫焊接工位一、內縫焊接工位二、梁盒組對工位、外縫焊接工位一、外縫焊接工位二、檢測工位、信息化系統、物流系統及智能控制系統組成
七、產線設計亮點
1、整體布局美觀大方,采用一字型布局,工位間設置檢修通道,工作位都集中在線體的一側,另一側設置參觀通道。
2、整線人工參與部位考慮人機結合性。
3、梁盒組對工位上加有預拱裝置、防波浪變形裝置、及筋板扶正裝置保證組對成功率及焊接合格率。
4、內縫焊接工位機器人加上聯動外部軸,使機器人可達無死點。
5、各工位之間為全自動,無需人工參與,自動化程度高。
6、具有快速參數化編程系統,可以快速切換產品。
7、具有生產信息管理系統,可對數據進行處理及存儲,留有與MES對接的接口,為客戶后期上MES做準備。
8、整線物流采用智能RGV子母車及滾筒線進行轉運,效率高,控制簡單等。
9、角鋼輸送系統,采用雙層倍速鏈的方式,可以實現角鋼工裝板上下無限循環作業,減少人工上件次數,節省人力,自動化程度高。
10、產線所有上料位置都集中在上蓋板與筋板拼焊位置,便于人工集中操作,提高產線整體效率。
八、使用環境:
1、環境溫度:-15~+45℃,最大日溫差:25℃
2、年平均相對濕度:~59%,最高月平均相對濕度:95%(+25℃)
3、電源:符合中國制式,供電電壓:380V±15%,供電頻率:
50Hz±2%
4、壓縮空氣:自備空壓機自產壓縮空氣,0.6±0.1MPa


中文網站
英文網站
OA 入口



